Introducción
El disyuntor de corriente residual electrónico DAF360 ha sido diseñado de conformidad con los estándares IEC61008-1 y con los estándares para interruptores EN50022. Pueden utilizarse para cargar carriles de guía con estructuras simétricas.
Si el disyuntor de corriente residual DAF 360 detecta una falla en la descarga a tierra, la comparará con la corriente nominal de descarga a tierra y cortará la corriente en forma inmediata, si notara que la primera es mayor que la segunda.
Los disyuntores pueden conectar sistemas a tierra para proteger al elemento con carga eléctrica de un contacto indirecto. También protege si la corriente nominal residual es mayor o igual que 30mA. Además, el disyuntor protege contra posibles incendios en caso que los cables pierdan aislación.
Uso
El disyuntor de corriente residual electrónico DAF360 ha sido diseñado de conformidad con los estándares GB16916.1, IEC61008 y BS4293. Se utiliza en casos en que la corriente alterna requerida sea de 50-60Hz, monofásica 240V (220V), trifásica 415V (380V) para uso industrial o minero, comercial o doméstico. Puede usarse por conversión no frecuente de líneas, cuando se lo requiera como protección contra descarga eléctrica o contra fuga de corriente.
| Número de polos | Corriente nominal | Tipo corriente residual | Frecuencia nominal | Corriente residual nominal | Voltaje operativo | Voltaje de aislación | Resistencia al impulso | Capacidad nominal de corte | Tipo | Tamaño | ||
| 2P | 16-63A | AC and A | 50-60HZ | 10, 30, 100, 300A | 230/400V | 500V | 6KV | 6KA | Termomagnético | a | b | c |
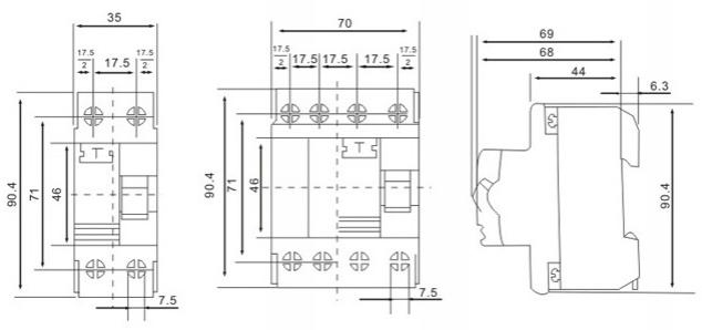
| 35mm | 90.4mm | 69mm | ||||||||||

Parámetros físicos del disyuntor de corriente residual electrónico DAF360
Grado de protección: IP40
Ignífugo grado:2
Resistencia mecánica: 10.000 veces.
Resistencia eléctrica: 4.000 veces
Condiciones de funcionamiento del disyuntor de corriente residual DAF360
1. Temperatura ambiental: 5℃ -40℃, promedio en 24 hs, no mayor que 35℃;
2. Altura: no mayor a 200 metros;
3. Condiciones atmosféricas: a una temperatura máxima de 40℃ no debe pasar el 50%, y a una temperatura mínima de 25℃, la humedad no debe superar el 90%.
4. Categoría de instalación: categoría 1, 3
5. Método de instalación: guía de riel estándar.
6. Condiciones de instalación: Sin golpes ni vibraciones, y el campo magnético no puede quintuplicar al campo geomagnético. Luego se monta al RCCB de forma vertical, con la manija hacia arriba, que indica la posición de suministro de energía.
7. Conexión: utilice tornillos para los cables o barras.
Estructura y funcionamiento
1. Estructura -el disyuntor de corriente residual DAF360 contiene un transformador de secuencia cero, un dispositivo, un sistema de contacto, un sistema de control de arco, una carcasa para aislarlo y demás.
2. Funcionamiento- el disyuntor de corriente residual está apagado cuando funciona normalmente; el transformador se pone en la función cero, cuando se produce una anormalidad, como una descarga o una pérdida de electricidad. Entonces, se produce un corte de la corriente a los 0.1 segundos, para proteger contra estos inconvenientes.
Nombres relacionados
Interruptores eléctricos, RCCB, interruptores en miniatura, disyuntores
Shanghai Dada Electric Co., Ltd
Dirección: No.171 Yezhuang Road, Zhuanghang, Fengxian, Shanghai
Contacto: Mrs. Weng
Número de contacto: +86-21-57467000
Fax: +86-21-57467301
E-mail: charlotte.weng@foxmail.com
